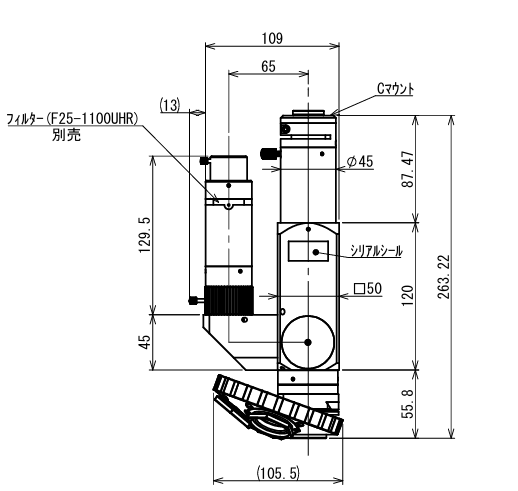
Compact Microscope (NIR Tube Lens)MS-200-SWIR-RV (1000~2000nm)
개요
MS-200-SWIR-RV는 SWIR(1000~2000nm) 대역에 특화된 무한대 광학계(f=200mm) 현미경 헤드로, InGaAs/SWIR 카메라 적용에 최적화된 관찰·검사 솔루션입니다.
1인치 이하 카메라 디바이스(C-마운트) 대응과 이미지서클 φ18 설계를 통해 다양한 센서 구성에 유연하게 적용할 수 있으며, 동축 조명은 쾰러조명 방식을 채택하여 저배율에서도 조명 균일도가 높고 콘트라스트가 우수한 영상을 제공합니다.
또한 시야 조리개/개구 조리개 조정 기구를 내장해 세팅 재현성과 조건 튜닝이 용이하며, 가시광을 투과하지 않는(불투명) 실장 IC 칩 내부 관찰 등 SWIR 특유의 응용 분야에 적합합니다.
특징




카탈로그

